铁口泥炮打泥监测系统使用说明
2023-05-11 科威
锅炉风门、摆动燃烧器气动执行机构 现场指导调试规程分享
如何解决变频器对仪表设备干扰
110kV线路间隔保护检验分享
2023-05-10 科威
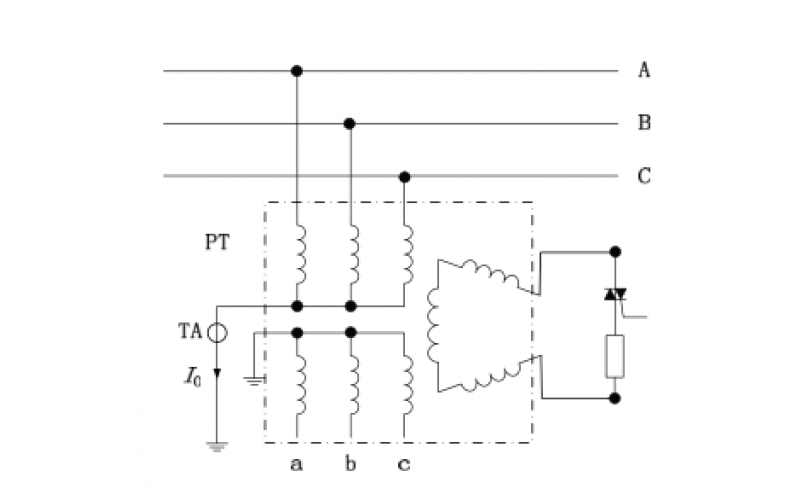
系统接地接对控制系统的影响!
在HMI上显示PLC代码流程的方法分享
为何控制系统需要信号隔离器?
2023-05-09 科威
微机消谐装置消谐原理知识分享